游客:
注册
|
登录
|
会员
|
统计
|
帮助
信天谨游
»
山村修路
» 第111-112座桥:牦牛场-羊涧槽两座桥(已定)
‹‹ 上一主题
|
下一主题 ››
18
1/2
1
2
››
投票
交易
悬赏
活动
打印
|
推荐
|
订阅
|
收藏
标题: 第111-112座桥:牦牛场-羊涧槽两座桥(已定)
信天谨游
管理员
UID 5
精华 0
积分 0
帖子 29924
阅读权限 200
注册 2007-4-3
状态 离线
#1
发表于 2023-2-22 10:15
资料
文集
短消息
第111-112座桥:牦牛场-羊涧槽两座桥(已定)
云南省宁蒗县翠玉乡春东村委会牦牛场村-羊涧槽5桥、6桥位于羊涧槽村落中间,羊简槽是一个地名,海拔为3700米,属于牦牛场自然村,牦牛场村民也居住在羊涧槽,随着季节的变化,村民在不同海拔的地方放牦牛,住在海拔不同的地方,海拔4500米的地方也有牦牛场村的牧民居住。牦牛场村有农户45户,人口大约为200多口,上下学学生有中小学生20人左右,是一个以放牧为生的藏族村寨。村落里的水流量较大,而且地势低洼,没有修建桥梁雨季无法通行,存在很大的安全隐患。修建完工后,直接受益人将达200多人,间接受益人将达300多人。
说明:
因为牦牛场村地处偏远,同一个村的村民户口分别在翠玉乡、红桥乡、永宁乡三个乡,属于翠玉乡较多,做资料就由翠玉乡统一做资料。
这两座桥按照顺序命名为:
牦牛场村-羊涧槽5桥、牦牛场村-羊涧槽6桥,每座桥预算为4.6万元,两座桥一共9.2万元。
捐款人:
牦牛场-羊涧槽5桥:捐款人:钱广和钱嘉意:4.6万元
牦牛场-羊涧槽6桥:罗煜恒 :1万元;孙漫宇和陈晓璇:1万元;邹卫兵邹慧君全家:1万元;钱广和钱嘉意:1.6万元
信天谨游
管理员
UID 5
精华 0
积分 0
帖子 29924
阅读权限 200
注册 2007-4-3
状态 离线
#2
发表于 2023-2-22 10:33
资料
文集
短消息
5桥、6桥预算:
石头:40方*180元=7200元
沙子:25方*260元=6500元
钢筋:22○的70根*140元=9800元
水泥:7.5吨*720元=5400元
水泥运费:800元
木板、木方、撑杆合计:2600元
人工:33*200元=6600元
挖机挖基础:2600元
运费:木板、钢筋:1200元
回填+护栏:3160元(此桥地势低洼,回填方量大,且需修建护栏)
合计:45860元/座,圆整为:46000元/座
5桥6桥总计:92000元
信天谨游
管理员
UID 5
精华 0
积分 0
帖子 29924
阅读权限 200
注册 2007-4-3
状态 离线
#3
发表于 2023-2-22 10:34
资料
文集
短消息
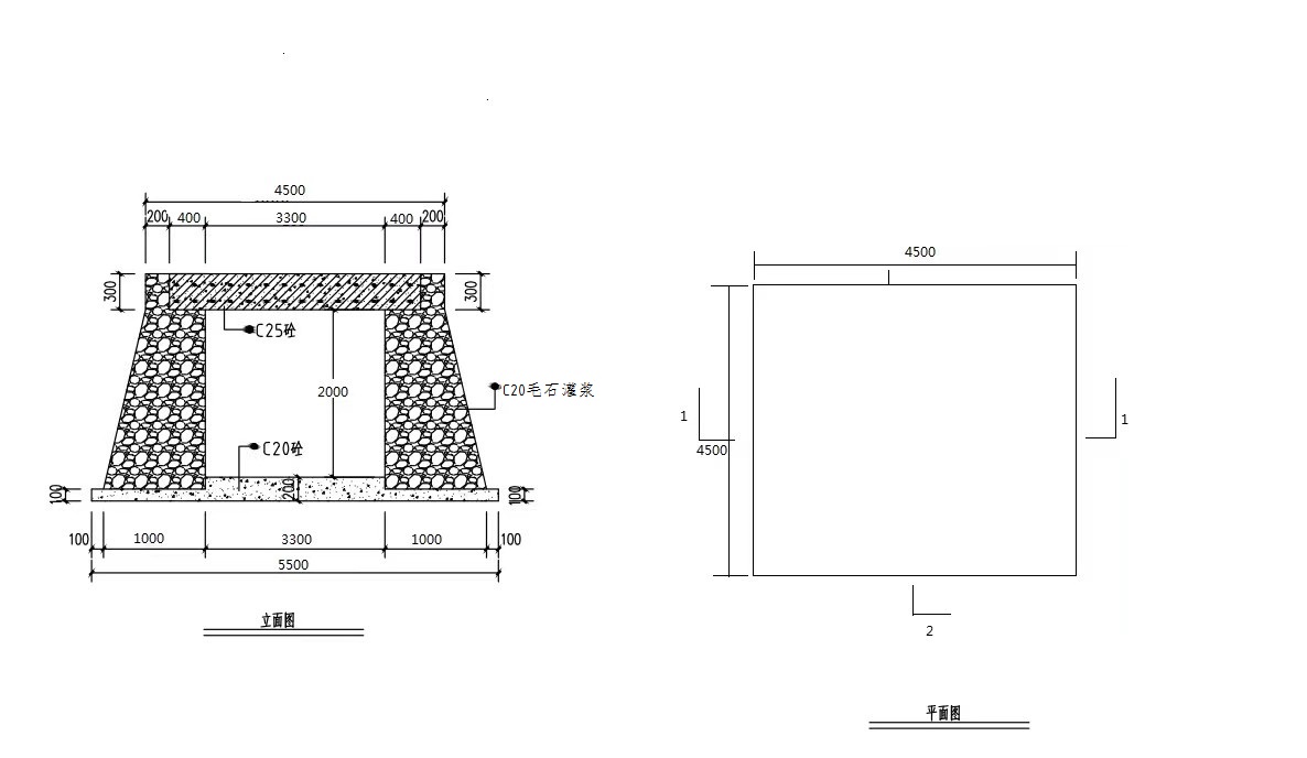
小桥施工方式:
桥墩为毛石混凝土
桥板为钢筋混凝土
施工图如下:
图片附件
:
222-新图-高度2米-毛石灌浆.jpg
(2023-2-22 15:43, 82.98 K)
信天谨游
管理员
UID 5
精华 0
积分 0
帖子 29924
阅读权限 200
注册 2007-4-3
状态 离线
#4
发表于 2023-2-22 10:34
资料
文集
短消息
预留.。
信天谨游
管理员
UID 5
精华 0
积分 0
帖子 29924
阅读权限 200
注册 2007-4-3
状态 离线
#5
发表于 2023-2-22 10:34
资料
文集
短消息
预留.。
信天谨游
管理员
UID 5
精华 0
积分 0
帖子 29924
阅读权限 200
注册 2007-4-3
状态 离线
#6
发表于 2023-2-22 15:37
资料
文集
短消息
预留.。
信天谨游
管理员
UID 5
精华 0
积分 0
帖子 29924
阅读权限 200
注册 2007-4-3
状态 离线
#7
发表于 2023-2-22 15:37
资料
文集
短消息
预留.。
信天谨游
管理员
UID 5
精华 0
积分 0
帖子 29924
阅读权限 200
注册 2007-4-3
状态 离线
#8
发表于 2023-2-22 16:21
资料
文集
短消息
牦牛场村-羊涧槽5桥:修桥位置。
图片附件
:
511-1_副本.jpg
(2023-2-22 16:21, 158.66 K)
图片附件
:
511-2_副本.jpg
(2023-2-22 16:21, 177.16 K)
图片附件
:
511-3_副本.jpg
(2023-2-22 16:21, 221.05 K)
图片附件
:
511-4_副本.jpg
(2023-2-22 16:21, 180.71 K)
信天谨游
管理员
UID 5
精华 0
积分 0
帖子 29924
阅读权限 200
注册 2007-4-3
状态 离线
#9
发表于 2023-2-22 16:22
资料
文集
短消息
牦牛场村-羊涧槽6桥:修桥位置。
图片附件
:
611-1_副本.jpg
(2023-2-22 16:22, 151.71 K)
图片附件
:
611-2_副本.jpg
(2023-2-22 16:22, 162.17 K)
图片附件
:
611-3_副本.jpg
(2023-2-22 16:22, 165.28 K)
图片附件
:
611-4_副本.jpg
(2023-2-22 16:22, 179.24 K)
信天谨游
管理员
UID 5
精华 0
积分 0
帖子 29924
阅读权限 200
注册 2007-4-3
状态 离线
#10
发表于 2023-4-10 15:45
资料
文集
短消息
施工照片:
图片附件
:
311_副本.jpg
(2023-4-10 15:45, 180.28 K)
图片附件
:
312_副本.jpg
(2023-4-10 15:45, 184.16 K)
图片附件
:
313_副本.jpg
(2023-4-10 15:45, 173.31 K)
图片附件
:
314_副本.jpg
(2023-4-10 15:45, 186.69 K)
18
1/2
1
2
››
投票
交易
悬赏
活动
最近访问的论坛 ...
其它助学活动
走访资料
一对一资助
助学交流
待修建学校
改善学生伙食
修建学校
学生园地
信天谨游
信天谨游助学
> 修建学校
> 一对一资助
> 勘误表
> 山村修路
> 改善学生伙食
> 助学交流
> 待修建学校
> 预算勘误表
> 其它助学活动
> 走访资料
> 助学之友
> 学生园地
> 版务
当前时区 GMT+8, 现在时间是 2026-2-15 20:53
京ICP备07004120号
Powered by
Discuz!
5.0.0
© 2001-2006
Comsenz Inc.
TOP
清除 Cookies
-
联系我们
-
信天谨游
-
Archiver
控制面板首页
编辑个人资料
积分交易
公众用户组
好友列表
基本概况
论坛排行
主题排行
发帖排行
积分排行
在线时间
管理团队